《公路工程建设项目概算预算编制办法》 (JTG 3830-2018)

信息来源:局技术处 发布日期:2025-09-25 15:06 浏览次数:














































































































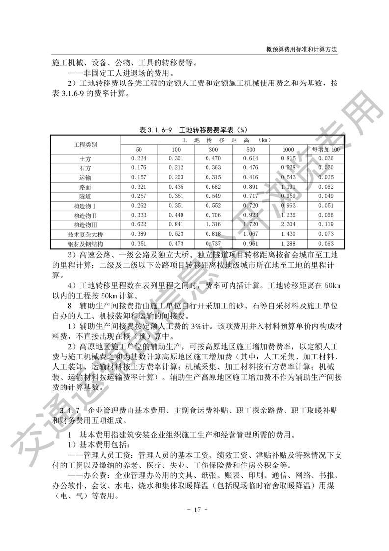
打印 关闭